Grohe Rapid SL 3in1 iebūvējamā rāmja komplekts ar hromētu Skate Cosmo tastatūru
| Viens no kvalitatīvākajiem iebūvējamajiem rāmjiem, kas raksturojas ar klusu darbību un augstu uzticamību.
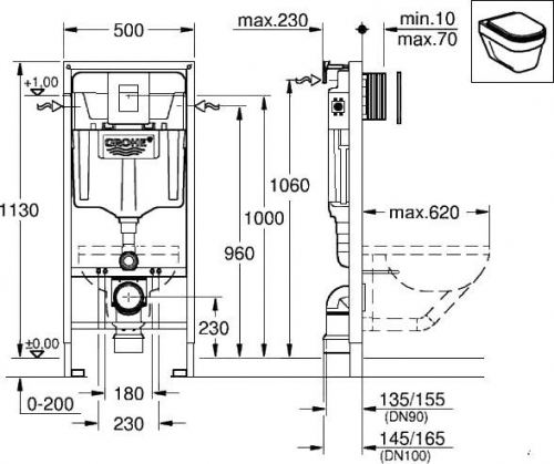
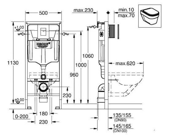
skalošanas kaste GD ar 2, 6-9 l skalošanas režīmiem un nelielu revīzijas lūku.
Montāžas augstums 1.20 m, viegla augstuma regulēšana
2 skrūves stiprinājumi priekš keramiskā poda stiprināšanas, attālums starp skrūvēm 180/230 mm. Pāreja DN 80/100
Pneimatiskā skalošanas sistēma ar trim režīmiem:
ar 2 ūdens skalošanas režīmiem un Start/Stop mehānismu, vai nepārtrauktu ūdens skalošanu, vertikāla montāžā
ūdens pieslēgšana no labās, kreisās puses, kā arī no aizmugures vai augšas. ūdens pieslēgšana DN 15 | ||||
|
Mарка:
GROHE
