Franke Lina Virtuves Izlietnes Jaucējkrāns
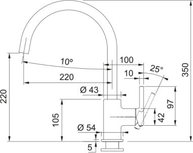
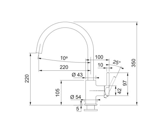
Šis Franke Lina virtuves jaucējkrāns ar J-veida grozāmu snīpi ir izgatavots no misiņa un veidots melnā matētā krāsā, piešķirot virtuvei modernu un elegantu izskatu. Aprīkots ar izvelkamu metāla šļūteni, šūnveida aeratoru un sānu vadības sviru, tas nodrošina ērtu un precīzu ūdens plūsmas kontroli. Jaucējkrāns paredzēts augstspiediena sistēmām, tam ir 360° pagriešanas leņķis, un tas tiek uzstādīts izlietnē caur 35 mm montāžas atveri, nodrošinot praktisku risinājumu ikdienas lietošanai virtuvē. |
Mарка:
FRANKE
